ST-DC-506B 分体式智能型离子风棒
ST-DC-506B 分体式智能型离子风棒
搭载HDC-AC的高压电源外置型
采用HDC-AC技术,实现除静电性能的长期稳定,长期免清扫
除静电时间、大小均比传统产品提高30%!
可以远程控制开关状态 有I/O端口 提供PLC采集报警信号


主要特点
1. 性能提高 30% 2. 除静电性能长期稳定
3. 放电针的磨损减少 4. 超低臭氧
5. 出色的离子平衡特性 6.大流量型喷嘴
7. 清扫定时器 8. 放电针的种类
9. 安全功能
● 除静电时间、大小均提高 30% (与我公司传统产品相比)
ST-DC-506B 是我公司产品 ST506A 的后继机型,更小型化,是一款具业界顶级除静电性能的电离器。
相比我公司传统产品ST503A除静电时间提高 30% 以上。
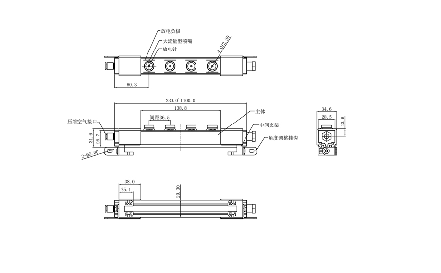
● 抑制空气消费量的小流量型放电针喷嘴易于更换
也备有两种放电针喷嘴,即通常空气消费量喷嘴和能抑制压缩空气消费的小流量型喷嘴。能
方便地更换喷嘴。
● 清扫定时器功能通知清扫时间
定时器达到预设值时 LED 亮灯通知已到放电针清扫时间。到亮灯为止的时间可由用户设定。
(100到10000小时,9种模式,也可设定成不亮灯。)
● 确保安全性
通过微放电检测、DC24V输入的低电压配线,确保使用安全
● 产品种类繁多
静电消除棒的长度可以从230mm到1080mm之间选择。高压电源与静电消除棒用1m高压电缆连接。
产品参数
产品型号 | ST-DC-506B |
离子生成方式 | 电晕放电方式(HDC-AC) |
输入电压 | DC 24V+5V |
功率消耗 | 12W |
输出电压 | 8kV 0-P(0 to峰值) |
异常时输出 | NPN常闭信号 无电压接点输出(由常闭MOSFET继电器) |
尺寸 | D34.6*H31.6*W230~1080mm (不含支架) |
供气压力范围 | 0.5Mpa以下 |
离子平衡 | ≤±10V以内(距离300mm 空气压力0.3Mpa时) |
除静电时间 | ≤1S |
工作环境 | 环境温度:5~40℃ 环境湿度:15%~85%(无结露) 供应气体:清洁干燥空气 不能在腐蚀性气体或液体下工作 |
附件 | 使用说明书、电源和信号电缆(3m)、中间托架 |
产品尺寸











