ST-201A金属头离子风嘴
ST-201A金属头离子风嘴
ST-201A
金属头离子风嘴



产品特点:
1. 可减少不必要的压缩气浪费和噪音
1. 离子风咀可配用脚踏开关来控制压缩气体
2. 需配备思帝克 ST401A 高压发生器一体使用

技术参数
型号 | ST201A |
离子产生方式 | 交流式 |
放电针材质 | 钨钢 |
主机材质 | 铁 / ABS防火工程塑料 |
空气离子供给范围 | 8cm~15cm |
空气输入管 | 内径Φ8风管 |
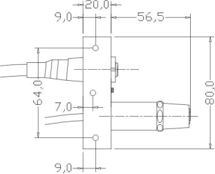
机体尺寸 | 78mm(L)×30mm(W)×80mm(H) 标准电揽线长2.5M |
附属品 | 说明书 / 保修卡 / 合格证 |
性能 | 除静电时间<1.5S |
空气消耗 | 0.08m³/min |
噪音 | 56DB |
臭氧产生量 | <0.02ppm以下(距离200mm测定距离) |
产品尺寸

- 上一条高频离子风嘴ST-6
- 下一条ST-201B压电式离子风嘴





