ST103B按键式三头直流离子风机

产品特点:
1. 按键式电位器调节风量 LED 指示灯直观显示风量大小
2. 同等级中离子输出量最大,消除静电速度快
3. 采用安全的低电压配置,严密的安全保护装置,确保使用更放心
4. 无级调速,灵活调节风速,刻度标识更有助目视化管理
5. 更换照明灯管设计人性化,维修与清洁更省时
6. 前后面罩可快速拆除,轻松清洁离子针及风扇
7. 独特的插拔式离子针设计,更换更方便,确保延长风机的寿命
8. 可加自动清洁功能内装清扫刷,自动模式基本不需维护
技术参数

除静电区域

面板功能

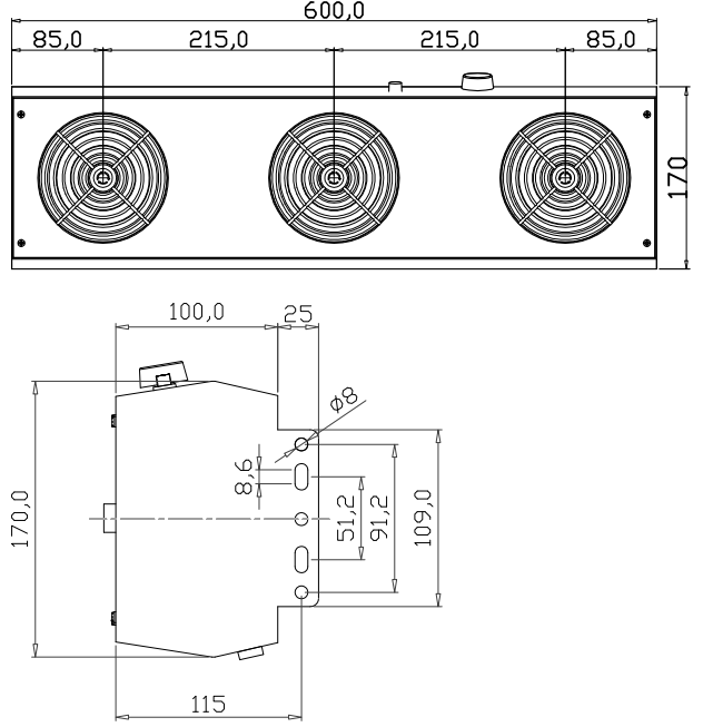
产品尺寸

选购配件

- 上一条 :深圳半导体展延期公告
- 下一条 :ST106B 不锈钢四头交流离子风机



